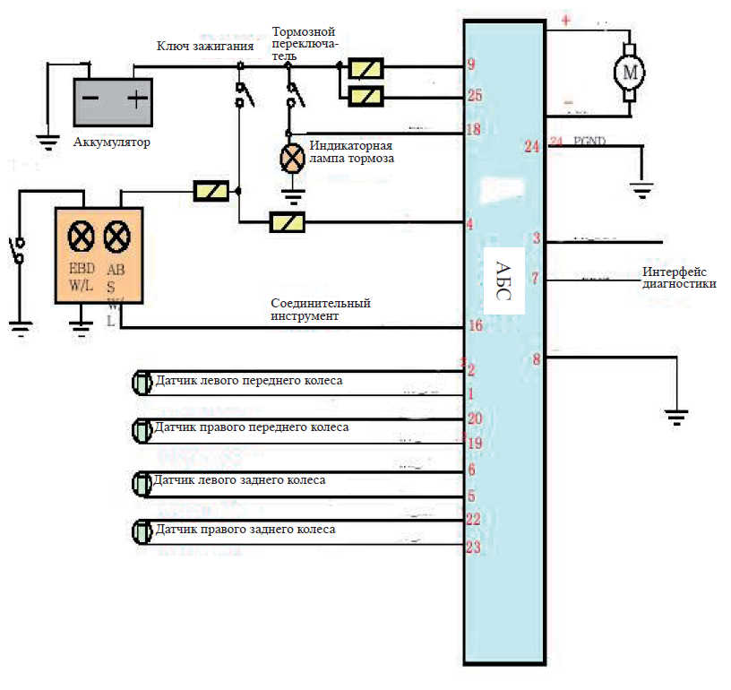
Схема АБС Чери Тиго.


Процесс регулирования давления тормоза колеса заключается в следующем:
1) Этап повышения давления: При торможении тормозное давление создается вакуумным усилителем и главным цилиндром. В этом случае открывается нормально открытый клапан, а нормально закрытый клапан закрывается, затем тормозное давление поступает в тормоз колеса, скорость колеса быстро снижается до тех пор, пока электронный блок управления АБС при помощи датчика скорости не определит, что колесо стремится заблокироваться.
2) Этап поддержания давления: Когда электронный блок управления АБС с помощью сигналов датчика скорости определяет, что колесо стремится заблокироваться, блок управления немедленно закрывает нормально открытый клапан. В то же время, нормально закрытый клапан все еще закрыт.
3) Этап понижения давления: Если на этапе поддержания давления колесо все еще стремится блокироваться, АБС начинает этап снижения давления. В этом случае электронный блок управления посылает команду на открытие нормально закрытого клапана и закрытие нормально открытого клапана. Затем включается гидронасос, и тормозная жидкость возвращается из цилиндра колеса в главный тормозной цилиндр через коллектор низкого давления, после чего тормозная педаль вибрирует из-за снижения тормозного давления, причем степень блокировки колеса снижается, после чего скорость колеса начинает увеличиваться.
4) Этап усиления: Для достижения оптимального тормозного эффекта, если скорость колеса достигает определенной величины, электронный блок управления АБС снова открывает нормально открытый клапан и закрывает нормально закрытый клапан. При увеличении тормозного давления колесо снова подвергается торможению и замедлению. Частота регулирования давления АБС составляет 2~4 оборота в секунду.
Поиск и устранение неисправностей в системе ABS
Неисправность: C1 200, C1 203, C1 206, C1 209
Вид неисправности :
Короткое замыкание датчика/разомкнутая цепь
Короткое замыкание на землю или разрыв цепи анода или катода датчика
Способы устранения:
1. Измерьте разность потенциалов между штырями 2, 5, 20, 22 разъема жгута электропроводки и землей (нормальный диапазон напряжения: 2 – 4 В)
2. Напряжение датчика менее 2 В говорит о незамкнутой цепи или коротком замыкании заземляющего провода или отсоединении разъема датчика.
3. Если цепь незамкнута, замените датчик. В случае короткого замыкания, решение о замене датчика следует принять только после определения причины короткого замыкания.
4. Напряжение датчика, превышающее 4 В, говорит о коротком замыкании аккумулятора или свечи зажигания. Решение о замене датчика следует принять только после определения причины короткого замыкания. Если после подтверждения того, что по пунктам 1 и 2 не обнаружено неисправностей, но неисправность все еще присутствует, следует принять во внимание внутренние неполадки ЭКУ.
Неисправность: C1 202, C1 205, C1 208, C1 211
Вид неисправности:
Неправильный воздушный промежуток
Неправильный воздушный промежуток, короткое замыкание (сопротивление – ноль), неправильная установка зубчатого колеса.
Способы устранения:
1. Осмотрите воздушный промежуток, чтобы убедиться, что он соответствует техническим условиям.
2. Проверьте сопротивления обеих сторон датчика, чтобы убедиться, что они соответствуют техническим условиям.
3. Используйте анализатор для проверки нормального состояния скорости четырех колес (медленно увеличьте скорость до 60 км/ч)
4. Осмотрите зубчатое колесо, чтобы убедиться для проверки его соответствия техническим условиям
5. Если все еще имеется неисправность при отсутствии неисправностей по вышеуказанным пунктам, следует принять во внимание внутренние неполадки ЭКУ.
Неисправность: C1 201, C1 204, C1 207, C1 210
Вид неисправности:
Неправильное зацепление зубчатого колеса и датчика
Установлено нестандартное зубчатое колесо
Способы устранения:
1. Осмотрите воздушный промежуток, чтобы убедиться в его соответствии стандартному значению.
2. Осмотрите зубчатое колесо и зубчатую передачу, чтобы убедиться в их соответствии техническим условиям.
3. Осмотрите область между зубчатым колесом и датчиком на предмет загрязнения и наличия посторонних частиц.
4. Проверьте сопротивление датчика для определения его соответствия нормальному значению.
5. Если все еще имеется неисправность при отсутствии неисправностей по вышеуказанным пунктам, следует принять во внимание внутренние неполадки ЭКУ.
Неисправность: C1 101, C1 102
Вид неисправности:
Неправильное напряжение питания от аккумулятора
Напряжение аккумулятора выше или ниже стандартного
Способы устранения:
1. Осмотрите главный заземляющий провод, чтобы убедиться, в нормальном состоянии контакта (проверьте сопротивление между землей ходовой части и выводом № 8/25 АБС, чтобы определить, меньше ли его величина, чем 1 Ом.)
2. Проверьте разность потенциалов между штырем №4 разъема и землей, чтобы определить, находится ли она в стандартном диапазоне (Стандартный диапазон 9,4~16 В).
Неисправность: C1 402
Вид неисправности:
Неисправность двигателя или его предохранителя
Способы устранения:
1. Сначала проверьте момент возникновения неисправности: при стоянке или на скорости свыше 20 км/ч. (Если момент возникновения определить не удается, проверьте снова после устранения неисправности.)
2. Проверьте разность потенциалов между штырем № 25 разъема жгута электропроводки и землей. Если в результате измерения разности потенциалов выяснится, что электропроводка и предохранитель исправны, неисправность относится к неисправностям двигателя.
Неисправность: C1 112
Вид неисправности:
Неисправность предохранителя реле клапана
а) Отсоединен предохранитель или главное реле
б) Короткое замыкание в цепи реле
Способы устранения:
1. Если неисправность вызвана причиной а) – проверьте разность потенциалов между штырем №9 разъема жгута электропроводки и проводом заземления. При отсутствии потенциала, проверьте исправное состояние предохранителя или электропроводки.
2. Если разность потенциалов соответствует нормальному значению, значит, имеются внутренние неполадки блока АБС, и его следует заменить.
Неисправность: C1 604
Вид неисправности:
Короткое замыкание внутри реле или неисправность катушки клапана
Способы устранения:
1. Замените
Неисправность: C1 274
Вид неисправности:
Короткое замыкание гравитационного датчика или разомкнутая цепь
Короткое замыкание на землю или разрыв цепи анода или катода датчика
Способы устранения:
1. Сначала отсоедините разъем со стороны жгута электропроводки и соедините анод аккумулятора электропроводки датчика пучка со штырем № 15 короткого катода, после чего выполните заземление. Измерьте неправильное напряжение короткого замыкания или разомкнутой цепи штыря №13, а также напряжение штыря №15 (нормальный диапазон напряжения 0,6 ~ 4,5 В).
2. Напряжение датчика менее 2 В говорит о незамкнутой цепи датчика или коротком замыкании заземляющего провода или отсоединении разъема датчика.
3. Проверьте, имеется ли напряжение питания (IGN1) на гравитационном датчике (нормальный диапазон напряжения 10-16 В).
4. Если все еще имеется неисправность при отсутствии неисправностей по пунктам 1, 2 и 3, следует принять во внимание внутренние неполадки ЭКУ.

Источник: http://www.chery-club.ru/doc_text.php?docid=3252&modelid=11&p_chid=1000