
- Источник http://www.autopeople.ru/forum/renault/logan/62659.html
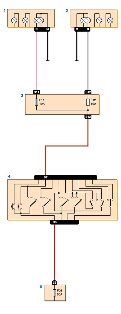
Диагностика: Проверка цепи включения стартера Renault Logan 2004-2009 Бензин
[[ article.getBookmarkIcon() ]]
Подъёмник
Поломки: Увеличенный ход педали тормоза (педаль мягкая или проваливается) Renault Logan 2004-2009 Бензин
[[ article.getBookmarkIcon() ]]
Инструмент
Снятие, замена, установка прокладки крышки ГБЦ Renault Logan 2004-2015 Бензин
1 - 3 ч
[[ article.getBookmarkIcon() ]]
Инструмент
Поломки: Увод автомобиля от прямолинейного движения (на ровной дороге) Renault Logan 2004-2009 Бензин
[[ article.getBookmarkIcon() ]]
Инструмент
Замена наружного зеркала заднего вида Renault Logan 2004-2009 Бензин
[[ article.getBookmarkIcon() ]]
Инструмент
Снятие обратного клапана вакуумного усилителя тормозов Renault Logan 2004-2009 Бензин
[[ article.getBookmarkIcon() ]]
Подъёмник
Стравливание давления в топливной системе двигателя Renault Logan 2004-2015 Бензин
5 - 30 мин
[[ article.getBookmarkIcon() ]]
Инструмент
Регулировка высоты педали сцепления Renault Logan 2004-2009 Бензин
[[ article.getBookmarkIcon() ]]
Инструмент