Стойка
Снятие
ПОРЯДОК ВЫПОЛНЕНИЯ
- Чтобы исключить срабатывание подушка безопасности головы, выключите зажигание и отсоедините сначала отрицательный (-), а затем положительный кабели аккумуляторной батареи.
- Снимите боковую подушку заднего сиденья.
- Снимите боковую облицовку багажника, обратитесь к соответствующему Разделу.
- Снимите облицовку над задней дверью.
- Ослабьте винты крепления подушки безопасности головы в задней части.
- Снимите направляющую для заднего ремня.
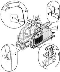
- Выверните винты (3), отсоедините облицовку (1) у пружинного зажима (2) и снимите.
Установка
ПОРЯДОК ВЫПОЛНЕНИЯ
- Установка выполняется в последовательности, обратной снятию. При этом закрепите подушку безопасности головы новыми винтами.
- Положите уплотнитель двери над облицовкой.
- Снимите изоляционную ленту с отрицательной клеммы аккумуляторной батареи, присоедините сначала положительный (+), а затем отрицательный кабель (-) к аккумуляторной батареи.
Облицовка над задней дверью
Снятие
ПОРЯДОК ВЫПОЛНЕНИЯ
- Чтобы исключить срабатывание подушка безопасности головы, выключите зажигание и отсоедините сначала отрицательный (-), а затем положительный кабели аккумуляторной батареи.
- Отсоедините облицовку сзади стойки А.
- Снимите облицовку стойки D.
- Нажмите вниз на ручку (5) и откиньте вниз крышку винта (4). Для этого введите в паз (7) тонкую проволоку и откройте крышку.
- Выверните винты (3).
- Выверните винт (1).
- Выверните винт (7), для чего сместите назад планку в проушине для разделительной сетки.
- Отсоедините облицовку (2) у пружинного зажима (6) и снимите.
Установка
ПОРЯДОК ВЫПОЛНЕНИЯ
- Установка выполняется в последовательности, обратной снятию, при этом винт (7) затяните моментом 9Нм.
- Снимите изоляционную ленту с отрицательной клеммы аккумуляторной батареи, присоедините сначала положительный (+), а затем отрицательный кабель (-) к аккумуляторной батареи.
Стойка D
Снятие
ПОРЯДОК ВЫПОЛНЕНИЯ
- Чтобы исключить срабатывание подушка безопасности головы, выключите зажигание и отсоедините сначала отрицательный (-), а затем положительный кабели аккумуляторной батареи.
- Снимите замыкающую планку крыши.
- Отсоедините заднюю кромку боковой облицовки грузового отсека, обратитесь к соответствующему Разделу.
- Выверните винт (3), для чего сместите назад планку в проушину для разделительной сетки.
- Отсоедините облицовку (1) у двух пружинных зажимов (2) и выньте вверх из боковой облицовки грузового отсека.
- Выньте облицовку стойки D (1) назад из облицовки (4) над дверью.
- Ослабьте в задней части винты крепления подушки безопасности головы.
- Выверните винты (6) и снимите облицовку (5) над задним окном.
Установка
ПОРЯДОК ВЫПОЛНЕНИЯ
- Установка выполняется в последовательности. обратной снятию. При этом закрепите подушку безопасности головы новыми винтами.
- Положите уплотнитель крышки задка над облицовкой
- Снимите изоляционную ленту с отрицательной клеммы аккумуляторной батареи, присоедините сначала положительный (+), а затем отрицательный кабель (-) к аккумуляторной батареи.
Замыкающая планка крыши
Снятие
ПОРЯДОК ВЫПОЛНЕНИЯ
- Отсоедините замыкающую планку крыши (1) у четырёх пружинных зажимов (2) и снимите.
Установка
ПОРЯДОК ВЫПОЛНЕНИЯ
- Установка выполняется в последовательности, обратной снятию.
- Положите уплотнитель крышки задка над замыкающей планкой крыши.
Боковая облицовка грузового отсека
Снятие
ПОРЯДОК ВЫПОЛНЕНИЯ
- Боковая облицовка правая: Отсоедините отрицательный кабель (-) аккумуляторной батареи.
- Снимите боковую подушку заднего сиденья.
- Освободите пол грузового помещения и выньте.
- Снимите накладку грузового отсека, см. ниже.
- Выверните винты (4) крепления проушины для багажа (5).
- Выверните винт (3) и отсоедините боковую облицовку (2) у пружинных зажимов (1).
- Правая боковая облицовка: Рассоедините разъём розетки.
- Выньте боковую облицовку.
Установка
ПОРЯДОК ВЫПОЛНЕНИЯ
- Установка выполняется в последовательности, обратной снятию.
- Правая боковая облицовка: Присоедините отрицательный кабель (-) аккумуляторной батареи.
Накладка замка грузового отсека
Снятие
ПОРЯДОК ВЫПОЛНЕНИЯ
- Откройте дверь задка.
- Выверните 4 винта (1) и осторожно отсоедините накладку замка (2) от кромки отсека у стопорных пальцев (стрелка на сопроводительной иллюстрации). При этом сместите пластмассовый клин под накладку и каждый палец снимите отдельно.
Установка
ПОРЯДОК ВЫПОЛНЕНИЯ
- Установка выполняется в последовательности, обратной снятию.
Источник http://carmanz.com/audi/a4-b6-2000-2004/6677-a4200011-5-19.html
Проверки системы управления зажиганием и впрыском на Audi A4
[[ article.getBookmarkIcon() ]]
Подъёмник


Снятие, установка и регулировка крышки багажника Audi A4
3 - 6 ч
[[ article.getBookmarkIcon() ]]
Инструмент


Снятие и установка облицовок салона Audi A4 B6 (седан)
3 - 6 ч
[[ article.getBookmarkIcon() ]]
Инструмент
Поиск неисправностей автоматической трансмиссии на Audi A4 - общая информация
[[ article.getBookmarkIcon() ]]
Инструмент

Снятие и установка рычага очистителя ветрового стекла на Audi A4
[[ article.getBookmarkIcon() ]]
Инструмент

Проверка уровня и замена рабочей жидкости в автоматической коробке передач Audi A4
1 - 3 ч
[[ article.getBookmarkIcon() ]]
Инструмент
