

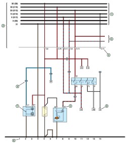
Схема соединения генераторной установки и системы пуска двигателя Chery Amulet
[[ article.getBookmarkIcon() ]]
Подъёмник


Электросхема (2) системы управления двигателем Chery Amulet
[[ article.getBookmarkIcon() ]]
Подъёмник

Электросхема (3) Кондиционер, исполнительный механизм, система охлаждения Chery Amulet
[[ article.getBookmarkIcon() ]]
Подъёмник

Электросхема (4) Выключатель кондиционера, электромагнитный клапан режима рециркуляции, высоковольтный и низковольтный выключатели Chery Amulet
[[ article.getBookmarkIcon() ]]
Подъёмник






Подготовка и антикоррозионная обработка скрытых полостей Chery Amulet
[[ article.getBookmarkIcon() ]]
Подъёмник




Снятие и установка блока управления системой отопления и кондиционирования Chery Amulet
[[ article.getBookmarkIcon() ]]
Подъёмник



Электросхема (8) Передние противотуманные фары, прикуриватель, сигнальная лампа включения кондиционера Chery Amulet
[[ article.getBookmarkIcon() ]]
Подъёмник

Электросхема (9) Электромагнитная муфта компрессора кондиционера, двухтоновый звуковой сигнал, система обогрева заднего стекла Chery Amulet
[[ article.getBookmarkIcon() ]]
Подъёмник