
Замена противосолнечных козырьков Chevrolet Lacetti 2004 - 2013
[[ article.getBookmarkIcon() ]]
Инструмент

Снятие и установка панели приборов Chevrolet Lacetti 2004 - 2013
30 мин - 1 ч
[[ article.getBookmarkIcon() ]]
Инструмент

Снятие и установка ремней безопасности Chevrolet Lacetti 2004 - 2013
[[ article.getBookmarkIcon() ]]
Инструмент

Снятие и установка центральной консоли Chevrolet Lacetti 2004 - 2013
1 - 3 ч
[[ article.getBookmarkIcon() ]]
Инструмент

Снятие и установка отопителя Chevrolet Lacetti 2004 - 2013
1 - 3 ч
[[ article.getBookmarkIcon() ]]
Инструмент


Прочистка дренажных отверстий Chevrolet Lacetti 2004 - 2013
[[ article.getBookmarkIcon() ]]
Инструмент


Снятие и установка ограничителя открывания задней двери Chevrolet Lacetti 2004 - 2013
[[ article.getBookmarkIcon() ]]
Инструмент

Снятие и установка брызговиков и подкрылков передних колес Chevrolet Lacetti 2004 - 2013
[[ article.getBookmarkIcon() ]]
Инструмент

Регулировка подшипников ступицы Chevrolet Lacetti 2004 - 2013
[[ article.getBookmarkIcon() ]]
Инструмент

Принципиальная схема электрокорректора фар Chevrolet Lacetti 2004 - 2013
[[ article.getBookmarkIcon() ]]
Инструмент

Принципиальная схема ближнего и дальнего света Chevrolet Lacetti 2004 - 2013
[[ article.getBookmarkIcon() ]]
Инструмент

Принципиальная схема подсветки приборов и органов управления с регулятором яркости Chevrolet Lacetti 2004 - 2013
[[ article.getBookmarkIcon() ]]
Инструмент

Принципиальная схема подсветки приборов и органов управления без регулятора яркости Chevrolet Lacetti 2004 - 2013
[[ article.getBookmarkIcon() ]]
Инструмент

Принципиальная схема габаритного освещения и подсветки номерного знака Chevrolet Lacetti 2004 - 2013
[[ article.getBookmarkIcon() ]]
Инструмент

Снятие и установка верхнего рычага Chevrolet Lacetti 2004 - 2013
[[ article.getBookmarkIcon() ]]
Инструмент

Принципиальная схема электровентилятора системы охлаждения двигателя с двумя электровентиляторами Chevrolet Lacetti 2004 - 2013
[[ article.getBookmarkIcon() ]]
Инструмент

Принципиальная схема электровентилятора системы охлаждения двигателя с одним электровентилятором Chevrolet Lacetti 2004 - 2013
[[ article.getBookmarkIcon() ]]
Инструмент

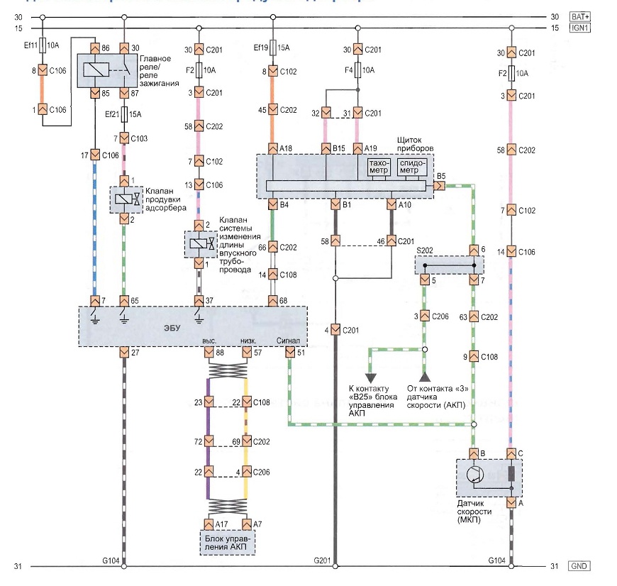
Принципиальная схема клапана системы изменения дляны впускного трубопровода, датчика скорости и клапана продувки адсорбера Chevrolet Lacetti 2004 - 2013
[[ article.getBookmarkIcon() ]]
Инструмент
- chevron_left
- 1
- 2
- 3
- 4
- 5
- 6
- ...
- 10
- chevron_right