
Электрическая схема включения звукового сигнала Ниссан Х-Трейл 2007 - 2014
[[ article.getBookmarkIcon() ]]
Без инструментов

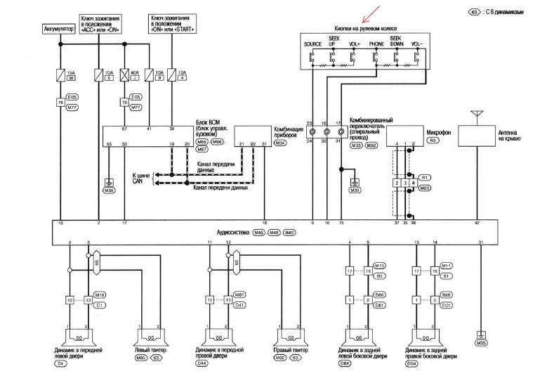
Схема подключения и распиновки магнитолы Ниссан Х-Трейл 2007 - 2014
[[ article.getBookmarkIcon() ]]
Без инструментов

Снятие топливного модуля Ниссан Х-Трейл 2007 - 2014
1 - 3 ч
[[ article.getBookmarkIcon() ]]
Инструмент

Снятие панели приборов Ниссан Х-Трейл 2007 - 2014
30 мин - 1 ч
[[ article.getBookmarkIcon() ]]
Инструмент

Замена датчика положения педали тормоза Ниссан Х-Трейл 2007 - 2014
5 - 30 мин
[[ article.getBookmarkIcon() ]]
Инструмент

Регулировка электрокорректора фар Ниссан Х-Трейл 2007 - 2014
5 - 30 мин
[[ article.getBookmarkIcon() ]]
Без инструментов

Замена приводного ремня Ниссан Х-Трейл 2007 - 2014
1 - 3 ч
[[ article.getBookmarkIcon() ]]
Инструмент

Снятие блока управления электрокорректора фар Ниссан Х-Трейл 2007 - 2014
5 - 30 мин
[[ article.getBookmarkIcon() ]]
Инструмент

Замена моторчика вентилятора охлаждения Ниссан Х-Трейл
5 - 30 мин
[[ article.getBookmarkIcon() ]]
Инструмент

Проверка состояния радиатора отопителя (печки) Ниссан Х-Трейл
5 - 30 мин
[[ article.getBookmarkIcon() ]]
Без инструментов

Снятие радиатора охлаждения Ниссан Х-Трейл 2007 - 2014
1 - 3 ч
[[ article.getBookmarkIcon() ]]
Яма / Эстакада

Снятие вентилятора радиатора охлаждения Ниссан Х-Трейл 2007 - 2014
1 - 3 ч
[[ article.getBookmarkIcon() ]]
Яма / Эстакада

Прокачка тормозов Ниссан Х-Трейл 2007 - 2014
30 мин - 1 ч
[[ article.getBookmarkIcon() ]]
Инструмент

Замена карданного вала Ниссан Х-Трейл 2007 - 2014
30 мин - 1 ч
[[ article.getBookmarkIcon() ]]
Яма / Эстакада

Регулировка троса выбора передач Ниссан Х-Трейл 2007 - 2014
30 мин - 1 ч
[[ article.getBookmarkIcon() ]]
Инструмент

Замена выключателя стоп-сигнала Ниссан Х-Трейл 2007 - 2014
30 мин - 1 ч
[[ article.getBookmarkIcon() ]]
Инструмент

Регулировка замка капота Ниссан Х-Трейл 2007 - 2014
5 - 30 мин
[[ article.getBookmarkIcon() ]]
Инструмент

Замена накладки селектора коробки передач Ниссан Х-Трейл 2007 - 2014
5 - 30 мин
[[ article.getBookmarkIcon() ]]
Инструмент

Не открывается лючок бензобака Ниссан Х-Трейл 2007 - 2014
5 - 30 мин
[[ article.getBookmarkIcon() ]]
Инструмент

Снятие центрального тоннеля пола Ниссан Х-Трейл 2007 - 2014
30 мин - 1 ч
[[ article.getBookmarkIcon() ]]
Инструмент